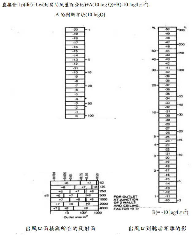
若是風機系統傳到戶外,即只有直接音而沒有反射音,如進排風機 傳到戶外的情形,今將二者的計算方式與表格整理如下: 

四、消音箱設計或工程上注意事項


( 1 ) : 注意消音箱的選用因各家設計與使用有所不同,請洽各原廠資料。為確保消音箱發

         揮功效,應事先進行計算。


( 2 ) : 風管內若安裝消音箱,需注意其再生噪音(regenerated noise),最好可以控制其面           速度(Face Velocity)在 7.5m/s 以下。


( 3 ) : 若風管中途使用 damper,它可能增加整個系統的噪音值,若有特別安寧的需求,           考慮於 damper 後方設置消音箱,或以內保溫內消音處理。


( 4 ) : 消音箱的壓損與減音量應得到一個平衡的考慮。


( 5 ) : 消音箱安裝位置以穿越機房牆壁為優先,機房的穿牆穿管防音亦應一併妥善處理。


( 6 ) : 受體所需要安寧程度是設計單位、施工單位及業主必須先設計與要求的,否則完工

         後若聲音太大的責任歸屬及解決都是困難的議題。有關室內所需的安寧程度,可參

         考ASHARE。


( 7 ) : 訂出室內 NC 指標後,對應該指標的安寧程度所需的風管內風速設計是所有空調設

         計者容易疏失的地方,而現場狀況的限制,又常常讓工程公司改變風管尺寸,使風

         速的控制更易偏離設計值,當風速超過 7.5m/s,許多較安寧的場合(NC40 下),

         會受到風快速通過消音箱、出風口、damper 所產生的再生噪音影響,而達不到當

         初設定的標準。


( 8 ) : 消音箱的插入損失(Insertion loss)效能與壓損是最重要的參數,如何取得好的平

         衡 ( 足夠的消音,可接受的壓損 ) 是設計單位與消音箱生產、銷售商需一起努力

         的,否則可能造成消音效果很好,風送不到後端支管 ( 壓損太大 ) 或後端風夠,但

         聲音太吵 ( 消音量不足 ) 。


( 9 ) : 房間安寧程度的計算來自於出風與迴風,二者都需達到才能確保房間的噪音值是符

         合設計的,而風管的路徑、出風口的面積、位置與離人耳的高度、房間的吸音係數

         及房間的體積都是影響安寧程度的要件, 亦都要被檢驗與核對。


(10) : 戶外屬於自由音場與房間內的擴散音場不同,少了反射音的影響,針對 AHU 的外

         氣引入或送排風機的引入排出一樣,在戶外端可能吵到鄰房部份,應以 dBA 來規             範,而規範標準以噪音管制法中的噪音管制標準要求,與房間內的 NC 值不同。


(11) : 聲功率是所有風車廠商需提供的資料,沒有聲功率資料的風車,會導致無法計算整

         個系統的噪音,風機廠商可與工研院能資所討論測量的費用與細節,所有以前慣             用的風機噪音描述方法(如離風車 1m 處 80 分貝或 80dBA)都屬於聲壓位準的描           述,此二者有許多差別,設計單位與工程公司都需小心其中不同。 


​參考文獻


1. Noise Control in industry


2. Industry noise control


3. 噪音控制理論


4. 工業污染防制、工業噪音與振動防制。


5. 冷凍空調原理與工程(下),許守平,1998.12,金采科技圖書

        根據以上的討論,配合電腦程式的計算,使繁鎖的程式簡化,本文章計算室內噪音NC值(出風與迴風)與戶外噪音值 dBA 如表五、表六與表七。其中需特別注意的是室內以 NC 指標為主(未來可能以RC指標為主),遵循的是 ASHRAE 的建議標準;而戶外以 dBA 為準,遵循的是環保署公告的噪音管制標準。其中 NC 考量的是各頻率的值都要符合相對應的 NC 指標,屬於分頻標準;而 dBA 考慮的是符合人耳聽覺總量標準,前者重視的是人在室內的主觀感覺,後者重視的是執行的便捷性與民眾的易於瞭解性。